ニッセイ ギアモータ・減速機 総合カタログ

GTRギアモータ・減速機 総合カタログ(デジタルカタログ版)です。


>> P.503

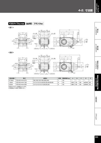
インダクションギアモータ4-2.寸法図オプション技術資料F2/F3タイプ同心中空軸・同心中実軸F/FAタイプ中空軸・中実軸H/H2タイプ直交軸G/G3タイプ平行軸相当容量0.75kW1.5kW2.2kW型式F3S-45-***-075F3S-45-***-150F3S-45-***-220※型式の***には減速比が入ります。※性能表はP.499をご参照ください。減速比80,100,120,160,200,2405,7.5,10,12.5,20,25,30,40,50,605,7.5,10,12.5,15,50,25,30図番122概略質量(kg)181818A―384.5396.5B―3540C―4045D―φ25h6φ30h6E―2833503CB108108ホゴキャップ取り付け時ホゴキャップ取り付け時71641507575フランジ面7A8773235148134144-φ16.54-φ14224-M16×P2.063634-M16×P2.0E8Dφ16598.5115φ20<図2>1686850265026φ45H8φ45H8フランジ面ホゴキャップF3S-45付属品φ100h7φ64φ100h7φ64F3Sタイプ同心中空軸軸径45フランジ取付<図1>108108ホゴキャップ取り付け時ホゴキャップ取り付け時1686850265026φ45H8φ45H8フランジ面7ホゴキャップF3S-45(付属品)1641507575フランジ面78769φ100h7φ64φ100h7φ644-φ20.54-φ17.5224-M20×P2.573734-M20×P2.5381185167272143532103119.5φ2022.5φ20h66φ1421748787696948.81748787696948.8


<< | < | > | >>