ニッセイ ギアモータ・減速機 総合カタログ

GTRギアモータ・減速機 総合カタログ(デジタルカタログ版)です。


>> P.483

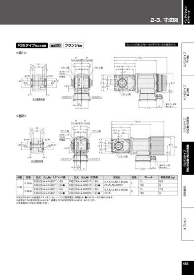
インダクションギアモータ2-3.⼨法図オプション技術資料F2/F3タイプ同心中空軸・同心中実軸F/FAタイプ中空軸・中実軸H/H2タイプ直交軸G/G3タイプ平行軸48312253737適合コード径φ8~φ1235□105F3Sタイプ同心中空軸軸径20フランジ取付カッコ()の値はブレーキ付ギアモータの表示です。φ115108.2964824132413φ20H8φ20H8フランジ面ホゴキャップF3S-20付属品6464ホゴキャップ取り付け時ホゴキャップ取り付け時7927839397フランジ面(316.5)25548.538.512778.568.5648.538.522.89738.548.54-φ8.4以上φ53h7φ294-φ10.5φ53h7φ2922出力軸部詳細4-M10×P1.54-M10×P1.5フランジ面<図1>φ115□126108.26464ホゴキャップ取り付け時ホゴキャップ取り付け時7927839397フランジ面(360.5)27048.538.512778.568.5648.538.522.89738.548.54-φ8.4以上964824132413φ20H8φ20H8φ53h7φ29φ53h7φ29フランジ面ホゴキャップF3S-20付属品4-φ10.522出力軸部詳細4-M10×P1.54-M10×P1.5フランジ面<図2>12253737□10535適合コード径φ8~φ12相数容量型式出力軸:ステンレス鋼三相0.1kW0.2kWF3S20S***-WM01T◇◇ENF3S20S***-WM01T◇◇EV◆F3S20S***-WM02T◇◇ENF3S20S***-WM02T◇◇EV◆型式出力軸:炭素鋼F3S20N***-WM01T◇◇ENF3S20N***-WM01T◇◇EV◆F3S20N***-WM02T◇◇ENF3S20N***-WM02T◇◇EV◆減速比図番ブレーキ概略質量(kg)5,7.5,10,12.5,15,20,25,30,40,50,605,7.5,10,12.5,15,20,25,3012なし付きなし付き6.587.59※型式の***には減速比が入ります。また、◇◇には電源電圧・規格記号、◆にはブレーキ仕様が入ります。※減速比7.5は型式記号***には7、減速比12.5は型式記号***には12が入ります。※性能表はP.478をご参照ください。


<< | < | > | >>