ニッセイ ギアモータ・減速機 総合カタログ

GTRギアモータ・減速機 総合カタログ(デジタルカタログ版)です。


>> P.494

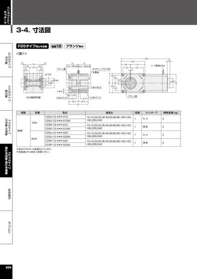
インダクションギアモータG/G3タイプ平行軸H/H2タイプ直交軸F/FAタイプ中空軸・中実軸F2/F3タイプ同心中空軸・同心中実軸技術資料オプション3-4.⼨法図F2Sタイプ同心中空軸軸径12フランジ取付<図1>5.520870302085.551ホゴキャップ取り付け時51ホゴキャップ取り付け時フランジ面φ12H8φ39H8φ204-φ8.512.54-M8×P1.252032.540.532.540.58139321004615420511リード線長さ300ホゴキャップF2S-MINI付属品40.533.513.88140.533.54-φ6.4以上4-M8×P1.25フランジ面φ4076型式F2SU-12-***-S15F2SU-12-***-S15WF2SP-12-***-S15F2SP-12-***-S15WF2SU-12-***-S25F2SU-12-***-S25WF2SP-12-***-S25F2SP-12-***-S25W減速比図番コントローラ概略質量(kg)10,15,20,25,30,40,50,60,80,100,120,160,200,24010,15,20,25,30,40,50,60,80,100,120,160,200,24010,15,20,25,30,40,50,60,80,100,120,160,200,24010,15,20,25,30,40,50,60,80,100,120,160,200,2401111セット別売セット別売3333出力軸部詳細相数容量単相15W25W※型式の***には減速比が入ります。※性能表はP.490をご参照ください。494


<< | < | > | >>