ニッセイ ギアモータ・減速機 総合カタログ

GTRギアモータ・減速機 総合カタログ(デジタルカタログ版)です。


>> P.627

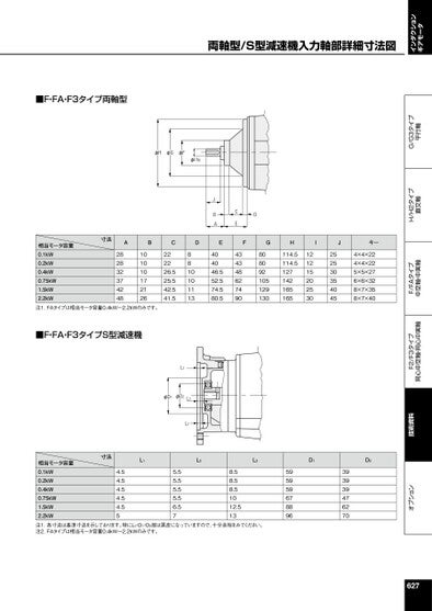
インダクションギアモータオプション技術資料F2/F3タイプ同心中空軸・同心中実軸F/FAタイプ中空軸・中実軸H/H2タイプ直交軸G/G3タイプ平行軸■F・FA・F3タイプ両軸型φHφGφFφIh6相当モータ容量0.1kW0.2kW0.4kW0.75kW1.5kW2.2kW寸法AB282832374248101010172126C222226.525.542.541.5D8810101113注1.FAタイプは相当モータ容量0.4kW~2.2kWのみです。■F・FA・F3タイプS型減速機L1φD1φD2L3L2JBAE404046.552.574.580.5CE434348627490DFGHIJキー808092105129130114.5114.51271421651651212152025302525303540454×4×224×4×225×5×276×6×328×7×358×7×40相当モータ容量0.1kW0.2kW0.4kW0.75kW1.5kW2.2kW寸法L1L2L3D1D24.54.54.54.54.555.55.55.55.56.578.58.58.51012.513595959678896393939476270注1.各寸法は基準寸法を示しております。特にL2・D1・D2部は黒皮になっていますので、十分余裕をみてください。注2.FAタイプは相当モータ容量0.4kW~2.2kWのみです。627


<< | < | > | >>