ニッセイ ギアモータ・減速機 総合カタログ

GTRギアモータ・減速機 総合カタログ(デジタルカタログ版)です。


>> P.1003

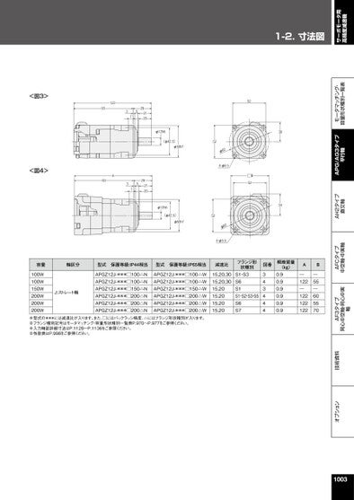
1-2.寸法図サーボモータ用高精度減速機オプション技術資料AF3タイプ同心中空軸・同心中実軸AFCタイプ中空軸・中実軸AH2タイプ直交軸APG/AG3タイプ平行軸モータマッチング・容量形状種別一覧表<図3><図4>12293357292120A93357292120φ12h6(φ42.5)φ50h7φ12h6(φ42.5)φ50h752□B5230345226φ4-φ5.55226φ4-φ5.5容量軸区分型式保護等級:IP44相当型式保護等級:IP65相当減速比100W100W150W200W200W200WJ:ストレート軸APGZ12J-***□100△NAPGZ12J-***□100△NAPGZ12J-***□150△NAPGZ12J-***□200△NAPGZ12J-***□200△NAPGZ12J-***□200△NAPGZ12J-***□100△WAPGZ12J-***□100△WAPGZ12J-***□150△WAPGZ12J-***□200△WAPGZ12J-***□200△WAPGZ12J-***□200△W15,20,3015,20,3015,2015,2015,2015,20フランジ形状種別S1・S3S6S1S1・S2・S3・S5S6S7図番概略質量(kg)AB3434440.90.90.90.90.90.9―122―122122122―55―605570※型式の***には減速比が入ります。また、□にはバックラッシ精度、△にはフランジ形状種別が入ります。※フランジ種別記号はモータマッチング・容量形状種別一覧表P.970~P.977をご参照ください。※入力軸部詳細寸法はP.1128~P.1136をご参照ください。※性能表はP.998をご参照ください。1003


<< | < | > | >>