ニッセイ ギアモータ・減速機 総合カタログ

GTRギアモータ・減速機 総合カタログ(デジタルカタログ版)です。


>> P.1006

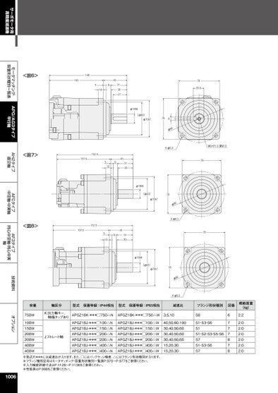
サーボモータ用高精度減速機モータマッチング・容量形状種別一覧表APG/AG3タイプ平行軸AH2タイプ直交軸AFCタイプ中空軸・中実軸AF3タイプ同心中空軸・同心中実軸技術資料オプション<図6>148103591045313027<図7>152.5107.55104593130<図8>152.5107.55109453130M6×P1.0深さ157820.57878φ18h6(φ63)φ70h778609φ4-φ6.5φ18h6(φ63)φ70h77809φ4-φ6.5φ18h6(φ63)φ70h77809φ4-φ6.5容量軸区分型式保護等級:IP44相当型式保護等級:IP65相当減速比フランジ形状種別図番概略質量(kg)K:出力軸キー、軸端タップありJ:ストレート軸750W100W150W200W200W400W400WAPGZ18K-***□750△NAPGZ18K-***□750△W3,5,10S8APGZ18J-***□100△NAPGZ18J-***□150△NAPGZ18J-***□200△NAPGZ18J-***□200△NAPGZ18J-***□400△NAPGZ18J-***□400△NAPGZ18J-***□100△WAPGZ18J-***□150△WAPGZ18J-***□200△WAPGZ18J-***□200△WAPGZ18J-***□400△WAPGZ18J-***□400△W40,50,60,10030,40,50,6030,40,50,6030,40,50,6015,20,3015,20,30S1・S3・S6S1S1・S2・S3・S5・S6S7S1・S3・S6S767778782.22.02.02.02.02.02.0※型式の***には減速比が入ります。また、□にはバックラッシ精度、△にはフランジ形状種別が入ります。※フランジ種別記号はモータマッチング・容量形状種別一覧表P.970~P.977をご参照ください。※入力軸部詳細寸法はP.1128~P.1136をご参照ください。※性能表はP.998をご参照ください。1006


<< | < | > | >>