ニッセイ ギアモータ・減速機 総合カタログ

GTRギアモータ・減速機 総合カタログ(デジタルカタログ版)です。


>> P.1011

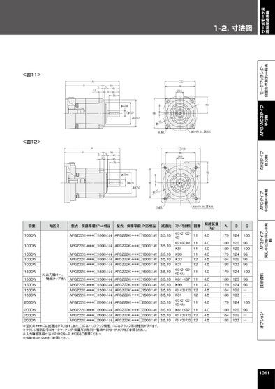
1-2.寸法図サーボモータ用高精度減速機オプション技術資料AF3タイプ同心中空軸・同心中実軸AFCタイプ中空軸・中実軸AH2タイプ直交軸APG/AG3タイプ平行軸モータマッチング・容量形状種別一覧表<図11><図12>BA125955414035AB951255414035φ22h6(φ72)φ90h7698511φ4-φ9φ22h6(φ72)φ90h7986511φ□C9824.5□1309824.554M8×P1.25深さ20694-φ9M8×P1.25深さ20容量軸区分型式保護等級:IP44相当型式保護等級:IP65相当減速比フランジ形状種別図番概略質量(kg)ABC1000W1000W1000W1000W1000W1500W1500W1500W1500W1500W2000W2000W2000W2000WK:出力軸キー、軸端タップありAPGZ22K-***□1000△NAPGZ22K-***□1000△W3,5,10APGZ22K-***□1000△NAPGZ22K-***□1000△W3,5,10APGZ22K-***□1000△NAPGZ22K-***□1000△NAPGZ22K-***□1000△NAPGZ22K-***□1000△WAPGZ22K-***□1000△WAPGZ22K-***□1000△W3,5,103,5,103,5,10APGZ22K-***□1500△NAPGZ22K-***□1500△W3,5,10APGZ22K-***□1500△NAPGZ22K-***□1500△NAPGZ22K-***□1500△NAPGZ22K-***□1500△NAPGZ22K-***□1500△WAPGZ22K-***□1500△WAPGZ22K-***□1500△WAPGZ22K-***□1500△W3,5,103,5,103,5,103,5,10APGZ22K-***□2000△NAPGZ22K-***□2000△W3,5,10APGZ22K-***□2000△NAPGZ22K-***□2000△NAPGZ22K-***□2000△NAPGZ22K-***□2000△WAPGZ22K-***□2000△WAPGZ22K-***□2000△W3,5,103,5,103,5,10K13・K21・K22・K23K67・K6E・K61K81K99K33F31K13・K21・K22・K23・KAAK61・K67K99K31・K32・K33F31K13・K21・K22・K23・KAAK61・K67K31・K32・K33F31・F32・F331111111112121111111212111112124.04.04.04.04.54.54.04.04.04.54.54.04.04.54.5179180180179184188179180179184188179180184188124125125124129133124125124129133124125129133100951009595951009595――10095――※型式の***には減速比が入ります。また、□にはバックラッシ精度、△にはフランジ形状種別が入ります。※フランジ種別記号はモータマッチング・容量形状種別一覧表P.970~P.977をご参照ください。※入力軸部詳細寸法はP.1128~P.1136をご参照ください。※性能表はP.998をご参照ください。1011


<< | < | > | >>