ニッセイ ギアモータ・減速機 総合カタログ

GTRギアモータ・減速機 総合カタログ(デジタルカタログ版)です。


>> P.1017

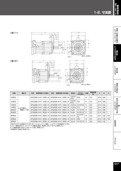
1-2.寸法図サーボモータ用高精度減速機オプション技術資料AF3タイプ同心中空軸・同心中実軸AFCタイプ中空軸・中実軸AH2タイプ直交軸APG/AG3タイプ平行軸モータマッチング・容量形状種別一覧表<図11><図12>AB1151563.547.54540φ28h6(φ88)120φ110h78041φ□1301203169AB1151563.547.545404-φ11M8×P1.25深さ20□C12031φ28h6(φ88)120φ110h78041φ4-φ1169M8×P1.25深さ20容量軸区分型式保護等級:IP44相当型式保護等級:IP65相当減速比フランジ形状種別図番概略質量(kg)ABC1000W1000W1500W1500W2000W2000W3000W3000W3000WK:出力軸キー、軸端タップありAPGZ28K-***□1000△NAPGZ28K-***□1000△WAPGZ28K-***□1000△NAPGZ28K-***□1000△WAPGZ28K-***□1500△NAPGZ28K-***□1500△NAPGZ28K-***□2000△NAPGZ28K-***□2000△NAPGZ28K-***□1500△WAPGZ28K-***□1500△WAPGZ28K-***□2000△WAPGZ28K-***□2000△W15,20,30,40,5015,20,30,40,5015,20,3015,20,3015,2015,20APGZ28K-***□3000△NAPGZ28K-***□3000△W3,5,10APGZ28K-***□3000△NAPGZ28K-***□3000△NAPGZ28K-***□3000△WAPGZ28K-***□3000△W3,5,103,5,10K33F31K31・K32・K33F31F31・F32・F33K31・K32・K33K31・K32・K33・K34KBCF31・F32・F331111111111111212119.09.09.09.09.09.06.86.36.8247.5184251.5188247.5251.5251.5247.5184188188184201.5138201.5205.5138142――――――130120―※型式の***には減速比が入ります。また、□にはバックラッシ精度、△にはフランジ形状種別が入ります。※フランジ種別記号はモータマッチング・容量形状種別一覧表P.970~P.977をご参照ください。※入力軸部詳細寸法はP.1128~P.1136をご参照ください。※性能表はP.998をご参照ください。1017


<< | < | > | >>