ニッセイ ギアモータ・減速機 総合カタログ

GTRギアモータ・減速機 総合カタログ(デジタルカタログ版)です。


>> P.1146

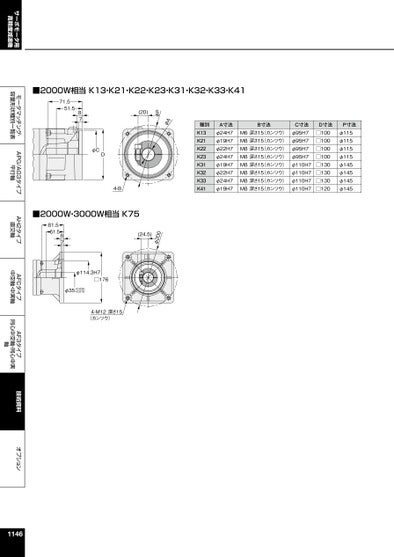
サーボモータ用高精度減速機モータマッチング・容量形状種別一覧表APG/AG3タイプ平行軸AH2タイプ直交軸AFCタイプ中空軸・中実軸AF3タイプ同心中空軸・同心中実軸技術資料オプション+0.013+0.013+0.013C寸法φ95H7φ95+0.035φ95+0.035φ95+0.035φ110H7φ110H7φ110H7φ110H7D寸法P寸法□100□100□100□100□130□130□130□120φ115φ115φ115φ115φ145φ145φ145φ145種別K13K21K22K23K31K32K33K41A寸法φ24H7φ19H7φ22H7φ24H7φ19H7φ22H7φ24H7φ19H7B寸法M6深さ15(カンツウ)M8深さ15(カンツウ)M8深さ15(カンツウ)M8深さ15(カンツウ)M8深さ15(カンツウ)M8深さ15(カンツウ)M8深さ15(カンツウ)M8深さ15(カンツウ)AφφP(20)71.551.59.37□DφC4-B200φ(24.5)7881.561.5■2000W・3000W相当K75φ114.3H7□176φ35+0.035+0.0104-M12深さ15(カンツウ)■2000W相当K13・K21・K22・K23・K31・K32・K33・K411146


<< | < | > | >>