ニッセイ ギアモータ・減速機 総合カタログ

GTRギアモータ・減速機 総合カタログ(デジタルカタログ版)です。


>> P.1150

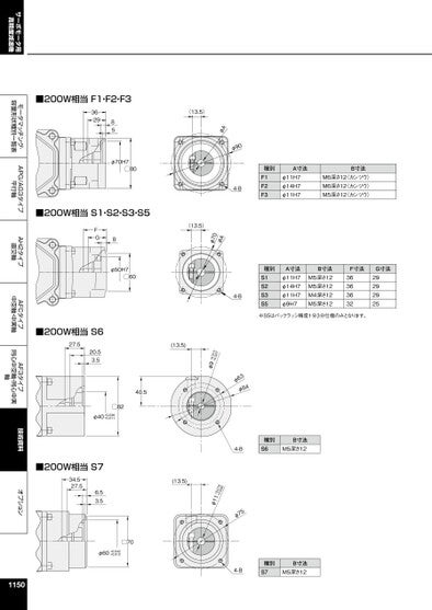
サーボモータ用高精度減速機モータマッチング・容量形状種別一覧表APG/AG3タイプ平行軸AH2タイプ直交軸AFCタイプ中空軸・中実軸AF3タイプ同心中空軸・同心中実軸技術資料オプション種別A寸法B寸法F1F2F3φ11H7φ14H7φ11H7M6深さ12カンツウ)M6深さ12カンツウ)M5深さ12カンツウ)種別S1S2S3S5A寸法φ11H7φ14H7φ11H7φ9H7B寸法M5深さ12M5深さ12M4深さ12M5深さ12F寸法G寸法3636363229292925※S5はバックラッシ精度1分3分仕様のみとなります。09φ4-B4-Bφ3648φ(13.5)φAφA70φ(13.5)φ70H7□80853629■200W相当F1・F2・F3■200W相当S1・S2・S3・S5FG8φ50H7□60+0.0079+0.015φ(13.5)■200W相当S627.520.53.540.5□82φ40+0.036+0.011種別S6B寸法M5深さ124-B57φ+0.00811+0.018φ(13.5)■200W相当S734.527.56.53.5□70φ60+0.042+0.01211504-B種別S7B寸法M5深さ12


<< | < | > | >>