ニッセイ ギアモータ・減速機 総合カタログ

GTRギアモータ・減速機 総合カタログ(デジタルカタログ版)です。


>> P.1228

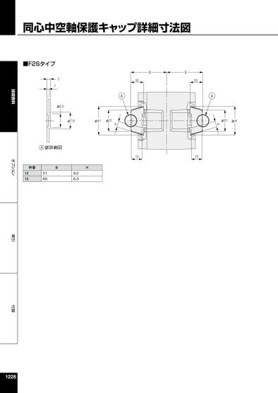
技術資料オプション索引付録同心中空軸保護キャップ詳細寸法図■F2Sタイプ21φ6.5B18B18AAφ7.9φ41φ31Hφ31φ41HA部詳細図枠番BH121551608.26.315151228


<< | < | > | >>