ニッセイ ギアモータ・減速機 総合カタログ

GTRギアモータ・減速機 総合カタログ(デジタルカタログ版)です。


>> P.458

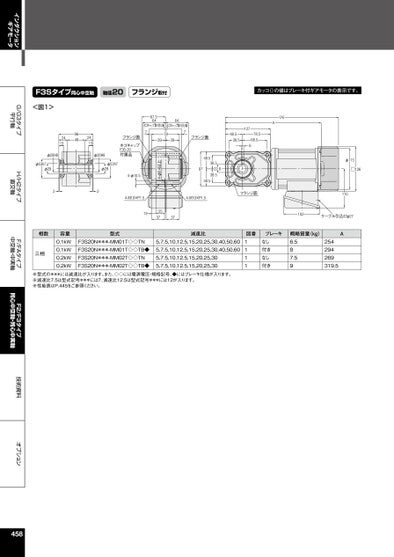
インダクションギアモータG/G3タイプ平行軸H/H2タイプ直交軸F/FAタイプ中空軸・中実軸F2/F3タイプ同心中空軸・同心中実軸技術資料オプションF3Sタイプ同心中空軸軸径20フランジ取付カッコ()の値はブレーキ付ギアモータの表示です。<図1>φ115□126110(A)A48.538.512778.568.56ホゴキャップ取り付け時ホゴキャップ取り付け時6467.564927839397フランジ面9748.538.522.838.548.5241396482413φ20H8φ20H87フランジ面ホゴキャップF3S-20付属品4-φ8.4以上φ53h7φ294-φ10.5φ53h7φ29224-M10×P1.54-M10×P1.5フランジ面12253737102ケーブル引込口φ27相数三相容量0.1kW0.1kW0.2kW0.2kW型式減速比F3S20N***-MM01T◇◇TNF3S20N***-MM01T◇◇TB◆F3S20N***-MM02T◇◇TNF3S20N***-MM02T◇◇TB◆5,7.5,10,12.5,15,20,25,30,40,50,605,7.5,10,12.5,15,20,25,30,40,50,605,7.5,10,12.5,15,20,25,305,7.5,10,12.5,15,20,25,30図番1111ブレーキなし付きなし付きA概略質量(kg)6.587.59254294269319.5※型式の***には減速比が入ります。また、◇◇には電源電圧・規格記号、◆にはブレーキ仕様が入ります。※減速比7.5は型式記号***には7、減速比12.5は型式記号***には12が入ります。※性能表はP.445をご参照ください。458


<< | < | > | >>