ニッセイ ギアモータ・減速機 総合カタログ

GTRギアモータ・減速機 総合カタログ(デジタルカタログ版)です。


>> P.459

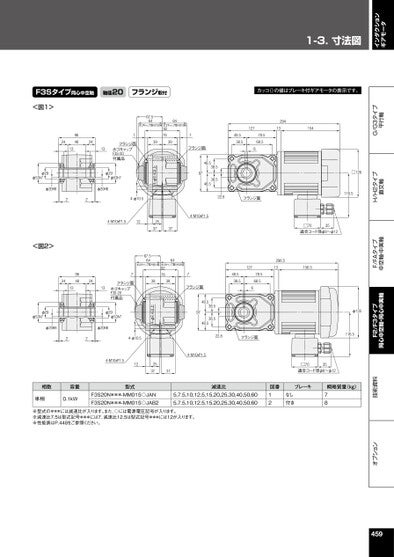
インダクションギアモータ1-3.⼨法図オプション技術資料F2/F3タイプ同心中空軸・同心中実軸F/FAタイプ中空軸・中実軸H/H2タイプ直交軸G/G3タイプ平行軸459F3Sタイプ同心中空軸軸径20フランジ取付カッコ()の値はブレーキ付ギアモータの表示です。□126116.5φ135116.567.564ホゴキャップ取り付け時64ホゴキャップ取り付け時927873939フランジ面2941315448.538.512778.568.569748.538.538.548.54-φ8.4以上<図1>9648241324137フランジ面ホゴキャップF3S-20付属品φ29φ53h7φ29φ53h7φ20H8φ20H8224-φ10.522.8フランジ面4-M10xP1.5122537374-M10xP1.5□7035適合コード径φ8~φ1267.564ホゴキャップ取り付け時64ホゴキャップ取り付け時927839397フランジ面296.513156.548.538.512778.568.569748.538.538.548.54-φ8.4以上<図2>9648242413713フランジ面ホゴキャップF3S-20付属品φ29φ53h7φ29φ53h7φ20H8φ20H8224-φ10.522.8フランジ面4-M10xP1.5122537374-M10xP1.5□7035適合コード径φ8~φ12相数容量単相0.1kW型式減速比F3S20N***-MM01S◇JANF3S20N***-MM01S◇JAB25,7.5,10,12.5,15,20,25,30,40,50,605,7.5,10,12.5,15,20,25,30,40,50,60図番12ブレーキ概略質量(kg)なし付き78※型式の***には減速比が入ります。また、◇には電源電圧記号が入ります。※減速比7.5は型式記号***には7、減速比12.5は型式記号***には12が入ります。※性能表はP.448をご参照ください。


<< | < | > | >>