ニッセイ ギアモータ・減速機 総合カタログ

GTRギアモータ・減速機 総合カタログ(デジタルカタログ版)です。


>> P.496

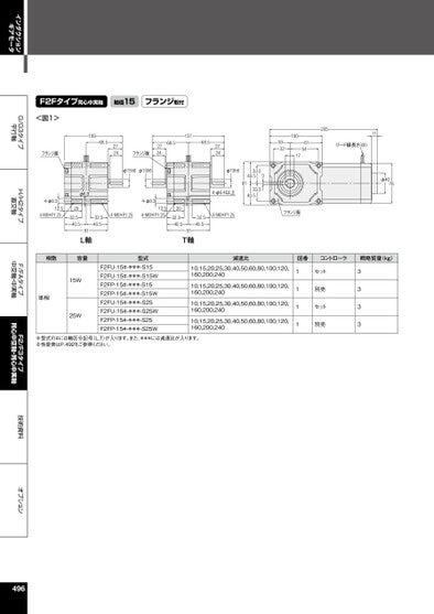
インダクションギアモータG/G3タイプ平行軸H/H2タイプ直交軸F/FAタイプ中空軸・中実軸F2/F3タイプ同心中空軸・同心中実軸技術資料オプションF2Fタイプ同心中実軸軸径15フランジ取付<図1>フランジ面10968.52724フランジ面68.5272413768.52724φ15h6φ15h6φ15h64-φ8.512.54-M8×P1.25φ6.82032.540.532.540.581L軸4-φ8.512.54-M8×P1.254-M8×P1.254-φ6.4以上4-M8×P1.252032.540.532.540.581T軸20511リード線長さ300393210061541733.540.558133.540.5フランジ面φ4076相数容量型式減速比図番コントローラ概略質量(kg)単相15W25WF2FU-15#-***-S15F2FU-15#-***-S15WF2FP-15#-***-S15F2FP-15#-***-S15WF2FU-15#-***-S25F2FU-15#-***-S25WF2FP-15#-***-S25F2FP-15#-***-S25W10,15,20,25,30,40,50,60,80,100,120,160,200,24010,15,20,25,30,40,50,60,80,100,120,160,200,24010,15,20,25,30,40,50,60,80,100,120,160,200,24010,15,20,25,30,40,50,60,80,100,120,160,200,2401111セット別売セット別売3333※型式の#には軸区分記号(L,T)が入ります。また、***には減速比が入ります。※性能表はP.492をご参照ください。496


<< | < | > | >>