ニッセイ ギアモータ・減速機 総合カタログ

GTRギアモータ・減速機 総合カタログ(デジタルカタログ版)です。


>> P.497

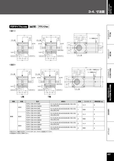
インダクションギアモータ3-4.寸法図オプション技術資料F2/F3タイプ同心中空軸・同心中実軸F/FAタイプ中空軸・中実軸H/H2タイプ直交軸G/G3タイプ平行軸F2Fタイプ同心中実軸軸径18フランジ取付<図1>フランジ面127793027793027フランジ面158793027φ18h6φ18h6φ18h64-φ10.5134-M10×P1.5φ8.62538483848964-φ10.5134-M10×P1.54-M10×P1.54-φ8.4以上4-M10×P1.525384838489622111リード線長さ30044.535.511469.560.520.549396983949フランジ面90φ40<図2>フランジ面127793027フランジ面φ18h6φ18h64-φ10.5134-M10×P1.5φ8.6253848384896L軸4-φ10.5134-M10×P1.54-M10×P1.5253848384896T軸158793027793027254ファン用リード線長さ400リード線長さ300444.535.511469.560.520.549396983949φ18h64-φ8.4以上4-M10×P1.5フランジ面92相数容量型式減速比図番コントローラ概略質量(kg)40W単相60W90WF2FU-18#-***-S40F2FU-18#-***-S40WF2FP-18#-***-S40F2FP-18#-***-S40WF2FU-18#-***-S60F2FU-18#-***-S60WF2FP-18#-***-S60F2FP-18#-***-S60WF2FU-18#-***-S90F2FU-18#-***-S90WF2FP-18#-***-S90F2FP-18#-***-S90W10,15,20,25,30,40,50,60,80,100,120,160,200,24010,15,20,25,30,40,50,60,80,100,120,160,200,24010,15,20,25,30,40,50,60,80,100,120,160,200,24010,15,20,25,30,40,50,60,80,100,120,160,200,24010,15,20,25,30,40,50,60,80,100,120,160,200,24010,15,20,25,30,40,50,60,80,100,120,160,200,240112222セット別売セット別売セット別売444444※型式の#には軸区分記号(L,T)が入ります。また、***には減速比が入ります。※性能表はP.493をご参照ください。497


<< | < | > | >>