ニッセイ ギアモータ・減速機 総合カタログ

GTRギアモータ・減速機 総合カタログ(デジタルカタログ版)です。


>> P.501

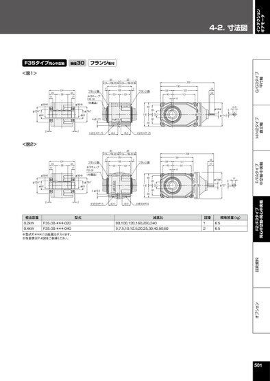
インダクションギアモータ4-2.寸法図オプション技術資料F2/F3タイプ同心中空軸・同心中実軸F/FAタイプ中空軸・中実軸H/H2タイプ直交軸G/G3タイプ平行軸F3Sタイプ同心中空軸軸径30フランジ取付<図1>1245833173317φ30H8φ30H8フランジ面ホゴキャップF3S-30(付属品)φ75h7φ44φ75h7φ444-φ12.54-φ10.48282ホゴキャップ取り付け時ホゴキャップ取り付け時712010653537フランジ面2601808122110584625221165858464633.3φ115φ12h613.54φ114.5224-M12×P1.7545.545.54-M12×P1.75<図2>2型式4-M10×P1.540.540.54-M10×P1.5減速比80,100,120,160,200,2405,7.5,10,12.5,20,25,30,40,50,60概略質量(kg)図番126.56.55011165858484833.3φ128φ15h6175φ1274-φ8.4以上φ75h7φ444-φ10.5φ75h7φ442相当容量0.2kW0.4kWF3S-30-***-020F3S-30-***-040※型式の***には減速比が入ります。※性能表はP.498をご参照ください。1245833173317φ30H8φ30H8フランジ面ホゴキャップF3S-30(付属品)8282ホゴキャップ取り付け時ホゴキャップ取り付け時712010653537フランジ面25858481598101913027


<< | < | > | >>