ニッセイ ギアモータ・減速機 総合カタログ

GTRギアモータ・減速機 総合カタログ(デジタルカタログ版)です。


>> P.502

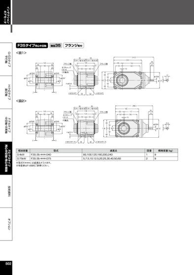
インダクションギアモータG/G3タイプ平行軸H/H2タイプ直交軸F/FAタイプ中空軸・中実軸F2/F3タイプ同心中空軸・同心中実軸技術資料オプションF3Sタイプ同心中空軸軸径35フランジ取付<図1>9595ホゴキャップ取り付け時ホゴキャップ取り付け時1426638203820φ35H8φ35H8フランジ面ホゴキャップF3S-35(付属品)71381246262φ85h7φ49φ85h7φ494-φ16.5フランジ面768541366868545438.3224-M16×P258584-M16×P2316.5222101541403027φ15h6517φ128φ127<図2>1426638203820φ35H8φ35H89595ホゴキャップ取り付け時ホゴキャップ取り付け時7フランジ面ホゴキャップF3S-35付属品1381246262フランジ面7296.56854185117105103532φ85h7φ494-φ12.54-φ10.41366868565638.322.56φ20h6φ1422型式4-M12×P1.7548484-M12×P1.75減速比80,100,120,160,200,2405,7.5,10,12.5,20,25,30,40,50,60概略質量(kg)図番1299φ85h7φ492相当容量0.4kW0.75kWF3S-35-***-040F3S-35-***-075※型式の***には減速比が入ります。※性能表はP.499をご参照ください。502


<< | < | > | >>