ニッセイ ギアモータ・減速機 総合カタログ

GTRギアモータ・減速機 総合カタログ(デジタルカタログ版)です。


>> P.506

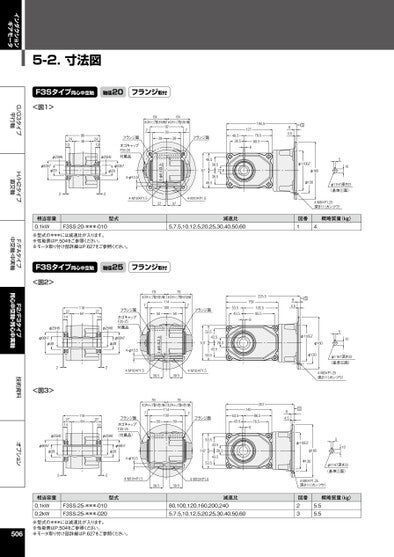
インダクションギアモータG/G3タイプ平行軸H/H2タイプ直交軸F/FAタイプ中空軸・中実軸F2/F3タイプ同心中空軸・同心中実軸技術資料オプション6464ホゴキャップ取り付け時ホゴキャップ取り付け時7927873939フランジ面194.512778.568.5648.538.5S84.5964824132413フランジ面ホゴキャップF3S-20付属品φ20H848.538.59722.838.548.54-φ8.4以上φ53h7φ294-φ10.5<図1>φ20H8φ53h7φ29224-M10×P1.54-M10×P1.53737相当容量0.1kW型式減速比F3SS-20-***-0105,7.5,10,12.5,20,25,30,40,50,60※型式の***には減速比が入ります。※性能表はP.504をご参照ください。※モータ取り付け部詳細はP.627をご参照ください。F3Sタイプ同心中空軸軸径25フランジ取付5-2.⼨法図F3Sタイプ同心中空軸軸径20フランジ取付7979ホゴキャップ取り付け時ホゴキャップ取り付け時711410050507フランジ面53.543.5225.5105.595.51598S84.553.543.510728.343.553.54-φ8.4以上7979ホゴキャップ取り付け時ホゴキャップ取り付け時711410050507フランジ面207140886.576.553.543.5S84.553.543.510728.343.553.5<図2>φ25H8φ66h7φ391186427142714フランジ面ホゴキャップF3S-25付属品φ25H8φ66h7φ394-φ10.5<図3>φ25H8φ66h7φ391186427142714フランジ面ホゴキャップF3S-25φ25H8(付属品)φ66h7φ394-φ10.5φ110G7φ160φ130510φ11H7深さ33(基準□面)S4-M8×P1.25深さ11(カンツウ)図番14概略質量(kg)φ110G7φ160φ130510φ11H7深さ33(基準□面)S4-M8×P1.25深さ11(カンツウ)φ110G7φ160φ130510φ11H7深さ33(基準□面)S4-M8×P1.25深さ11(カンツウ)概略質量(kg)図番235.55.5224-M10×P1.539.539.54-M10×P1.5224-M10×P1.54-M10×P1.539.539.5相当容量0.1kW0.2kWF3SS-25-***-010F3SS-25-***-020型式※型式の***には減速比が入ります。※性能表はP.504をご参照ください。※モータ取り付け部詳細はP.627をご参照ください。506減速比80,100,120,160,200,2405,7.5,10,12.5,20,25,30,40,50,60


<< | < | > | >>