ニッセイ ギアモータ・減速機 総合カタログ

GTRギアモータ・減速機 総合カタログ(デジタルカタログ版)です。


>> P.507

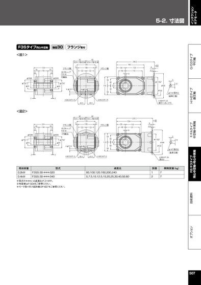
インダクションギアモータ5-2.寸法図オプション技術資料F2/F3タイプ同心中空軸・同心中実軸F/FAタイプ中空軸・中実軸H/H2タイプ直交軸G/G3タイプ平行軸F3Sタイプ同心中空軸軸径30フランジ取付<図1>8282ホゴキャップ取り付け時ホゴキャップ取り付け時712010653537フランジ面246.512211018085846S84.51245833173317フランジ面ホゴキャップF3S-30付属品φ30H8φ75h7φ44φ30H8φ75h7φ444-φ12.54-φ10.41165858464633.3224-M12×P1.754-M12×P1.7545.545.5φ110G7φ160φ130510φ11H7深さ33(基準□面)S4-M8×P1.25深さ11(カンツウ)<図2>1245833173317φ30H8φ30H8フランジ面ホゴキャップF3S-30(付属品)φ75h7φ44φ75h7φ448282ホゴキャップ取り付け時ホゴキャップ取り付け時712010653537フランジ面235.51598101915848S84.54-φ10.54-φ8.4以上1165858484833.3224-M10×P1.540.540.54-M10×P1.5相当容量0.2kW0.4kWF3SS-30-***-020F3SS-30-***-040型式※型式の***には減速比が入ります。※性能表はP.504をご参照ください。※モータ取り付け部詳細はP.627をご参照ください。減速比80,100,120,160,200,2405,7.5,10,12.5,15,20,25,30,40,50,60φ110G7φ160φ130516φ14F7深さ36(基準□面)S4-M8×P1.25深さ20概略質量(kg)図番1277507


<< | < | > | >>