ニッセイ ギアモータ・減速機 総合カタログ

GTRギアモータ・減速機 総合カタログ(デジタルカタログ版)です。


>> P.508

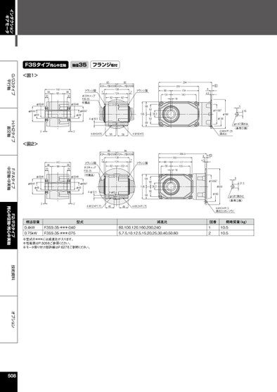
インダクションギアモータG/G3タイプ平行軸H/H2タイプ直交軸F/FAタイプ中空軸・中実軸F2/F3タイプ同心中空軸・同心中実軸技術資料オプションF3Sタイプ同心中空軸軸径35フランジ取付<図1>9595ホゴキャップ取り付け時ホゴキャップ取り付け時1426638203820φ35H8φ35H8フランジ面ホゴキャップF3S-35付属品71381246262φ85h7φ494-φ16.5224-M16×P258584-M16×P2フランジ面768541366868545438.329415414022210S84.5516φ110G7φ160φ130φ14F7深さ36(基準□面)S4-M8×P1.25深さ20φ130G7φ200φ165621.5φ19F7深さ42(基準□面)S4-M10×P1.5深さ23(カンツウ)図番12概略質量(kg)10.510.5φ85h7φ49<図2>9595ホゴキャップ取り付け時ホゴキャップ取り付け時713812462627フランジ面265.5185117105106856S94.51426638203820φ35H8φ35H8フランジ面ホゴキャップF3S-35(付属品)φ85h7φ49φ85h7φ494-φ12.54-φ10.41366868565638.3224-M12×P1.7548484-M12×P1.75相当容量0.4kW0.75kWF3SS-35-***-040F3SS-35-***-075型式※型式の***には減速比が入ります。※性能表はP.505をご参照ください。※モータ取り付け部詳細はP.627をご参照ください。減速比80,100,120,160,200,2405,7.5,10,12.5,15,20,25,30,40,50,60508


<< | < | > | >>