ニッセイ ギアモータ・減速機 総合カタログ

GTRギアモータ・減速機 総合カタログ(デジタルカタログ版)です。


>> P.1197

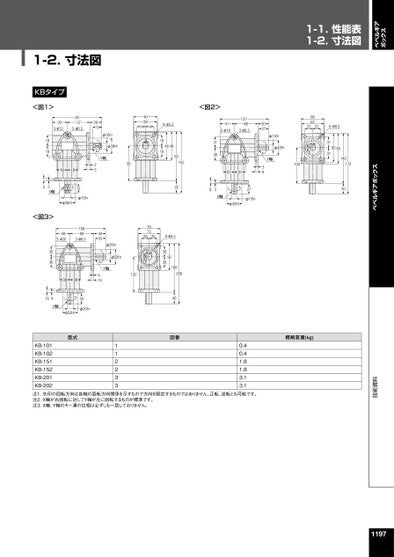
1-1.性能表1-2.⼨法図技術資料ベベルギアボックスベベルギアボックス666222221758-φ8.53131804814017030100Y軸383131413-φ18137663-φ8.53027φ15h7φ42H73136<図2>83X軸27φ15h7φ42H782102204038141498-φ5.51818464858Y軸251818253-φ1282373-φ6.52015φ10h7φ26H718181-2.⼨法図KBタイプ<図1>7672262622.568-φ8.536369216620640図番概略質量(kg)0.40.41.81.83.13.1120Y軸0413636483-φ20168803-φ8.54035φ20h7φ52H7363652X軸15φ10h7φ26H7<図3>104X軸35φ20h7φ52H7型式KB-101KB-102KB-151KB-152KB-201KB-202112233注1.矢印の回転方向は各軸の回転方向関係を示すもので方向を限定するものではありません。正転、逆転とも可能です。注2.X軸が右回転に対してY軸が左に回転するものが標準です。注3.X軸、Y軸のキー溝の位相は必ずしも一致しておりません。1197


<< | < | > | >>