ニッセイ ギアモータ・減速機 総合カタログ

GTRギアモータ・減速機 総合カタログ(デジタルカタログ版)です。


>> P.1198

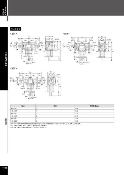
ベベルギアボックス技術資料ベベルギアボックス6662222217512-φ8.53131804814017030φ15h7φ42H7Y軸100302738192663-φ18663-φ8.53136313183X軸27φ15h7φ42H7302738<図2>17φ15h75φ42H7Y軸40381414912-φ5.51818464882102202015114373-φ12373-φ6.52015φ10h7φ26H758Y軸25181825Y軸9φ10h7φ26H71818KCタイプ<図1>52X軸15φ10h7φ26H7型式図番概略質量(kg)KC-101KC-102KC-151KC-152KC-201KC-2021122330.50.52.22.23.43.4注1.矢印の回転方向は各軸の回転方向関係を示すもので方向を限定するものではありません。正転、逆転とも可能です。注2.X軸が右回転に対してY軸が左に回転するものが標準です。注3.X軸、Y軸のキー溝の位相は必ずしも一致しておりません。240803-φ20803-φ8.5403536367672262622.5612-φ8.5363692φ20h7φ52H716620640120Y軸0413636104X軸35φ20h7φ52H7<図3>22.56φ20h7φ52H7Y軸40354101198


<< | < | > | >>